Home/Filling Equipment/Barrel Filling/High-Efficiency Beverage Mixer 3,000-60,000 L/H with Precision Brix & CO2 Control/

Hefei Zhongchen Light Industrial Machinery Co., Ltd.
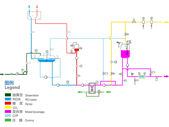
, Chinal Online flow meter type: Higher automation level, online adjustment.
l High efficiency deaeration: vacuum degree reaches -0.94bar. Double stage deaeration available, no water consumption of vacuum pump.
l High accuracy Brix control: water/syrup regulation scope 1:2~1:10, accuracy of final product Brix is better than±0.05.
l Accurate carbonation: gas volume online adjustable, accuracy achieves better than ±0.05GV.
l Lowest wastage: Maximum reduction of syrup wastage in startup and changeover.
l Option: Brix&CO2 monitor made of Anton Paar or equivalent.
Machine Capacity:
3,000~60,000 L/H
Product Description
Technical Parameter
Leave Message

